
Цену уточняйте
Гидрозамок одностороннего действия VBPSE FL
Материал корпуса: оцинкованная сталь
Материал компонентов: закаленная сталь
Уплотнения: BUNA N (стандартно)
Тип запирающего элемента: без утечек
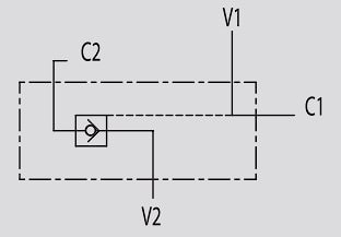
Подключение: Подключите V1 и V2 к напорным линиям, C1 к свободно линии цилиндра, С2 к запираемой полости цилиндра.

Рабочие характеристики при температуре масла 50°С и вязкости 30сСт

Характеристики:
|
Макс.расход (л/мин) |
Макс. давление |
Давление открытия (Бар) |
L (mm) |
L1 (mm) |
L2 (mm) |
L3 (mm) |
L4 (mm) |
| 20 | 350 | 4,5 | 70 | 83 | 6,5 | 13 | 15,5 |
|
L5 (mm) |
L6 (mm) |
L7 (mm) |
H (mm) |
S (mm) |
Масса (кг) |
Кольцо (mm) |
С2 (mm) |
| 27 | 35 | 35 | 50 | 30 | 1,03 | 1,78х12,42 | 05 |
