
Цену уточняйте
Материал корпуса: оцинкованная сталь
Материал компонентов: закаленная сталь
Уплотнения: BUNA N (стандартно)
Тип запирающего элемента: без утечек
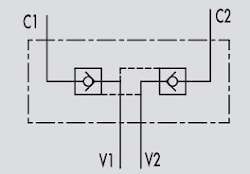
Подключение: Подключите V1 и V2 к напорным линиям, C1 и С2 к полостям цилиндра.

Рабочие характеристики при температуре масла 50°С и вязкости 30сСт

Характеристики:
|
Макс.расход (л/мин) |
Макс. давление |
Давление открытия (Бар) |
С1-С2 V1-V2 |
L (mm) |
L1 (mm) |
L2 (mm) |
L3 (mm) |
L4 (mm) |
H (mm) |
S (mm) |
Масса (кг) |
| 20 | 350 | 4,5 | 1/4 | 80 | 113 | 27 | 52 | 44 | 60 | 30 | 1,03 |
